船舶电力电网系统是现代船舶的“心脏”,为全船的航行、作业、生活等提供稳定可靠的电力保障,随着船舶大型化、智能化和绿色化的发展,船舶电力电网系统的复杂性和重要性日益凸显,该系统通常由发电、配电、用电和监控保护等部分组成,其性能直接影响船舶的安全性、经济性和环保性。
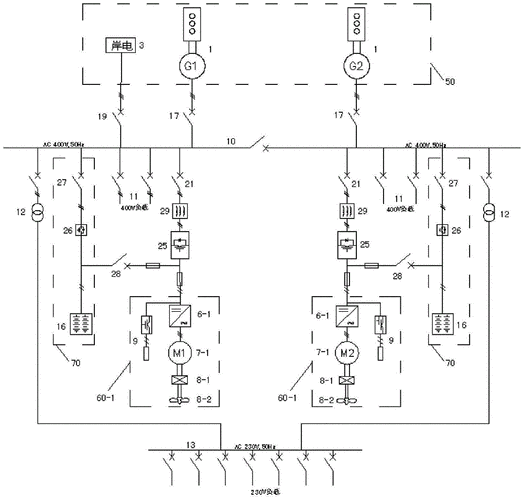
在发电环节,船舶电网的电源主要来自主发电机组和应急发电机组,主发电机组通常采用柴油发电机,根据船舶吨位和需求配置1至多台,功率从几百千瓦到上万千瓦不等,近年来,为满足环保要求,液化天然气(LNG)动力、电池储能、燃料电池等清洁能源也逐渐应用于船舶发电系统,部分集装箱船和渡轮已采用“柴油-LNG”双燃料发电机,显著降低了硫氧化物和颗粒物的排放,应急发电机组则在主电源失效时自动启动,确保导航、通信、消防等关键设备的用电,其功率一般为几十千瓦到几百千瓦,通常独立设置并具备自启动能力。

配电环节是船舶电网的核心,包括主配电板、应急配电板、分配电箱等设备,主配电板用于接收和分配主发电机组的电力,通过断路器、隔离开关等设备实现电路的控制和保护,根据船舶类型和用电需求,配电系统可分为直流、交流和交直流混合系统,目前绝大多数船舶采用交流电网,频率通常为50Hz或60Hz,部分舰船采用400Hz中频电网以减小设备体积,配电方式有放射式、干线式和混合式,其中混合式因灵活性和可靠性高而被广泛应用,为提高供电可靠性,重要负荷通常采用双路供电,并通过自动转换开关(ATS)实现无缝切换,船舶电网还需考虑绝缘监测、接地保护和过流保护等功能,确保用电安全。
用电设备是船舶电网的最终负载,种类繁多且功能各异,航行设备包括雷达、电子海图、GPS、自动舵等,对供电的连续性和稳定性要求极高;甲板机械如锚机、绞车、起货机等,多为大功率、冲击性负荷,需要电网具备较强的过载能力;船舶服务系统包括空调、通风、照明、淡水泵等,是保障船员生活的基础;通信设备如VHF、卫星电话、无线电等,直接关系到船舶的航行安全,近年来,随着电力电子技术的发展,越来越多的船舶设备采用变频驱动,既提高了能效,又减少了对电网的冲击。
监控保护系统是船舶电网的“大脑”,通过传感器、控制器和执行器等实现对电网的实时监测、故障诊断和自动保护,现代船舶电力管理系统(PMS)具备数据采集、负荷管理、发电机组调度、故障报警等功能,可根据航行状态和负荷需求自动优化运行策略,提高能源利用效率,在靠港期间,PMS可自动停部分发电机组,转而接岸电,减少燃油消耗和排放,保护装置则包括过流保护、欠压保护、逆功率保护、绝缘故障保护等,能在故障发生时快速切断电路,防止事故扩大。
船舶电力电网系统的设计需满足国际海事组织(IMO)、船级社(如CCS、ABS、DNV等)的相关规范,SOLAS公约对应急电源的启动时间、持续供电时间有明确要求;IEC 60092系列标准则规定了船舶电气设备的选型、安装和测试要求,船舶电网还需具备良好的电磁兼容性(EMC),避免电气设备间的相互干扰,在实际运行中,定期维护和保养至关重要,包括清洁设备、检查接线紧固性、测试保护装置的动作可靠性等,以确保系统始终处于良好状态。

随着智能化和绿色化的发展,船舶电力电网系统正朝着更高电压等级(如中压电网)、更大容量、更清洁能源的方向演进,大型邮船和LNG运输船普遍采用6.6kV或11kV中压电网,以解决大功率设备的供电问题;氢燃料电池、氨燃料发动机等零碳技术也在逐步探索中,数字化和物联网技术的应用,使得船舶电网的远程监控、预测性维护和智能运维成为可能,进一步提升了船舶的安全性和经济性。
相关问答FAQs:
-
问:船舶电力电网系统与陆地电网的主要区别是什么?
答:船舶电力电网系统与陆地电网存在显著区别,船舶电网容量较小,通常为几百千瓦到几万千瓦,而陆地电网容量可达百万千瓦级;船舶电网负荷波动大,且存在大量大功率冲击性负荷(如起货机),对电网稳定性要求更高;船舶空间有限,设备布置紧凑,需考虑振动、潮湿、盐雾等恶劣环境的影响;船舶电网需具备更高的冗余性和可靠性,应急电源必须在主电源失效时迅速启动,确保关键设备运行。 -
问:如何提高船舶电力电网系统的供电可靠性?
答:提高船舶电力电网系统供电可靠性的措施主要包括:① 采用多电源配置,如设置主发电机组和应急发电机组,关键负荷采用双路供电;② 优化配电网络设计,采用混合式配电方式,增加备用线路和自动转换装置;③ 完善保护系统,配置过流、欠压、绝缘故障等多种保护功能,确保故障快速隔离;④ 加强监控管理,通过电力管理系统(PMS)实时监测电网状态,实现负荷优化调度和故障预警;⑤ 定期进行维护保养,检查设备运行状态,测试保护装置动作可靠性,及时更换老化部件。
(图片来源网络,侵删)
